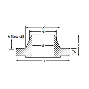
Svetshalsflänsen står som den ultimata lösningen för högtrycks- och högtemperaturmiljöer, konstruerad för att leverera oöverträffad tillförlitlighet genom sin robusta stumsvetsade anslutning och precisionstillverkade tätningsyta. Denna fläns är designad för kritiska applikationer och integreras sömlöst med rörledningar via en stumsvets med full penetration, vilket skapar en monolitisk struktur som tål extrema tryck, termiska fluktuationer och mekaniska påfrestningar – vilket gör den oumbärlig i oljeraffinaderier, petrokemiska anläggningar och kärnkraftssystem. Dess avsmalnande halsdesign förstärker inte bara den strukturella integriteten utan minimerar också stresskoncentrationen, vilket säkerställer långtidsprestanda under krävande förhållanden. Produktionsprocessen – som omfattar avancerad smide, avspänningsavlastande värmebehandling, precisionsbearbetning, rigorösa oförstörande tester (NDT) och korrosionsskyddande ytbehandlingar – garanterar en komponent som överträffar industristandarder för säkerhet och hållbarhet.
| Diameter | DN15(1/2")-DN3500(138") |
| Tryck | 0,25-25 MPa |
| Certifikat | PED, AD2000, EAC, ABS, BV, DNV, NORSOK M650, ISO9001, ISO14001, ISO45001, etc. |
| Funktionsintroduktion | Stumsvetsanslutning ger höghållfast tätning för applikationer med högt tryck (HP) och hög temperatur (HT), vilket säkerställer läckagesäker prestanda under extrema förhållanden |
| Ansökningsfält | Tillämplig för rörflänsanslutningar i långväga olje- och gasledningar, offshoreplattformar, kemisk utrustning, vattenreningssystem och livsmedels- och läkemedelsindustrier, anpassade till komplexa arbetsförhållanden. |
| Packning | Sjödugligt paket, plywoodväskor eller pall eller enligt kundens krav |
| Utvalda produkter | 1、Minsta beställning för liten sats; |
Från undervattensrörledningar som tål korrosivt havsvatten till ångturbiner som arbetar vid brännande temperaturer, svetshalsflänsen säkerställer läckagesäker tätning och driftskontinuitet. Branscher som kräver kompromisslös kvalitet, såsom flygvätskesystem eller kryogenisk lagring, förlitar sig på dess förmåga att upprätthålla integritet under cyklisk belastning och hård mediaexponering. Genom att kombinera överlägsen materialförmåga med precisionsteknik, minskar denna fläns livscykelkostnaderna genom minimerad stilleståndstid och underhåll. För ingenjörer med uppgift att skydda infrastruktur med hög insats är svetshalsflänsen det definitiva valet. Höj ditt systems prestanda idag med våra premium svetshalsflänsar – där banbrytande tillverkning möter motståndskraft i industriell kvalitet, vilket ger din verksamhet möjlighet att övervinna extremerna av tryck, temperatur och tid. Välj excellens, välj uthållighet och bygg en framtidssäker grund för dina kritiska system.
Från råmaterial till slutleverans upprätthåller vi rigorös kontroll i varje steg för att säkerställa hållbarhet, prestanda och konsekvens.
01
02
03
04
05
06
07
08
09
10
11
12
