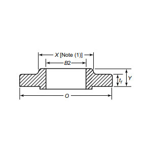
Slip On Flange står som en hörnsten i kostnadseffektiva rörlösningar, som kombinerar enkelhet med tillförlitlighet för att möta kraven från lågtryckssystem. Denna fläns är designad för enkel integration och glider över röret och säkras via en kälsvets, vilket effektiviserar installationen samtidigt som arbets- och materialkostnader minimeras – perfekt för budgetmedvetna projekt utan att kompromissa med prestanda. Dess släta tätningsyta (FF) säkerställer läckagefri drift i giftfria lågtrycksapplikationer som kommunala vattennät, HVAC-system och allmänna industriella rörledningar, medan den förstärkta konkav-konvexa (MF) ytan förbättrar tätningsintegriteten för lite mer krävande miljöer.
| Diameterintervall | DN15(1/2")-DN3000(119") |
| Tryckklassificering | PN6-PN16 |
| Certifikat | PED, AD2000, EAC, ABS, BV, DNV, NORSOK M650, ISO9001 ISO14001, ISO45001, etc. |
| Funktionsintroduktion | Enkel svetsad struktur, Kostnadseffektiv lösning, Enkel installation, FF (Flat Face) för lågtrycksfria media, MF (Male-Female) för förbättrad tätning |
| Ansökningsfält | Tillämplig för rörflänsanslutningar i långväga olje- och gasledningar, offshoreplattformar, kemisk utrustning, vattenreningssystem och livsmedels- och läkemedelsindustrier, anpassade till komplexa arbetsförhållanden. |
| Packning | Sjödugligt paket, plywoodväskor eller pall eller enligt kundens krav |
| Utvalda produkter | 1、Minsta beställning för liten sats; 2、Snabb leverans; 3、Anpassad produktion; |
Tillverkad av hållbart kolstål eller rostfritt stål, det motstår korrosion och mekanisk påfrestning, vilket gör det till ett mångsidigt val för industrier som sträcker sig från livsmedelsförädling till kemisk tillverkning, där hygien och enkelt underhåll prioriteras. Den kompakta, lätta designen förenklar eftermontering och justering, vilket minskar stilleståndstiden under systemutbyggnader eller reparationer. Oavsett om den används i jordbruksbevattning, farmaceutiska anläggningar eller marina rörledningar, anpassar Slip On Flange sömlöst till olika layouter, vilket säkerställer överensstämmelse med ASME- och EN-standarder. Genom att balansera överkomlighet med robust konstruktion, ger det ingenjörer möjlighet att optimera infrastrukturkostnaderna utan att offra säkerheten. Uppgradera dina pipelinesystem idag med våra Slip On Flanges – där enkelhet möter styrka, vilket gör att du kan bygga smartare, underhålla enklare och arbeta med tillförsikt. Välj effektivitet, välj tillförlitlighet och förvandla din pipeline-infrastruktur idag.
Från råmaterial till slutleverans upprätthåller vi rigorös kontroll i varje steg för att säkerställa hållbarhet, prestanda och konsekvens.
01
02
03
04
05
06
07
08
09
10
11
12
