Den gängade flänsen revolutionerar rörledningsanslutningen genom att erbjuda en säker, svetsfri lösning för sammanfogning av gängade rör, vilket gör den till det ultimata valet för miljöer där säkerhet och anpassningsförmåga inte är förhandlingsbara. Denna fläns är konstruerad med invändig precisionsgängning och integreras sömlöst med galvaniserade stålrör eller system där svetsning är förbjuden – som brandfarliga, explosiva eller mycket känsliga industriella miljöer. Dess innovativa design eliminerar brandrisker förknippade med svetsning, och säkerställer överensstämmelse med stränga säkerhetsprotokoll samtidigt som den levererar en robust, läckagesäker tätning som klarar höga tryckkrav. Den gängade anslutningen möjliggör snabb installation och demontering, vilket ger underhållsteam möjlighet att felsöka eller uppgradera system utan specialutrustning, vilket minskar stilleståndstiden i kritiska operationer som kemisk bearbetning, olje- och gasdistribution eller läkemedelsproduktion.
| Storlek | DN15(1/2")-DN600(24") |
| Tryckvärdering | 0,6-4,0 MPa |
| Temperaturområde | -45℃ till 260℃ |
| Certifikat | PED, AD2000, EAC, ABS, BV, DNV, NORSOK M650, ISO9001, ISO14001, ISO45001, etc. |
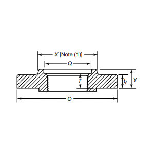
| Funktionsintroduktion | Den gängade flänsen ansluter till det gängade röret via invändig rörgänga, vilket eliminerar svetsning. Idealisk för galvaniserade stålrör eller begränsade svetsmiljöer (brandfarliga/explosiva). Har enkel installation och flexibelt underhåll, särskilt lämplig för legerat stål och andra material med dålig svetsbarhet. |
| Ansökningsfält | Tillämplig för rörflänsanslutningar i långväga olje- och gasledningar, offshoreplattformar, kemisk utrustning, vattenreningssystem och livsmedels- och läkemedelsindustrier, anpassade till komplexa arbetsförhållanden. |
| Packning | Sjödugligt paket, plywoodväskor eller pall eller enligt kundens krav |
| Utvalda produkter | 1、Minsta beställning för liten sats; |
Idealisk för material som är utsatta för svetsproblem - som legerat stål - gängflänsen bevarar materialets integritet och undviker sprödhet eller förvrängning orsakad av värme. Dess korrosionsbeständiga konstruktion, tillgänglig i kolstål eller rostfritt stål, säkerställer lång livslängd även i tuffa miljöer, från offshore-borrplattformar till livsmedelsgodkända sanitetssystem. Uppbackad av rigorös efterlevnad av globala standarder, garanterar denna fläns tillförlitlighet i höginsatsapplikationer, inklusive hydraulsystem, kryogena rörledningar och överföringar av brännbara vätskor. För industrier som prioriterar säkerhet, effektivitet och kostnadseffektivt underhåll är den gängade flänsen en transformerande lösning. Lyft din infrastruktur idag med våra premium gängflänsar – där innovation möter kompromisslös säkerhet, vilket gör att dina system kan fungera felfritt under de mest krävande förhållanden. Välj självförtroende, välj hållbarhet och omdefiniera din pipelines potential.
Från råmaterial till slutleverans upprätthåller vi rigorös kontroll i varje steg för att säkerställa hållbarhet, prestanda och konsekvens.
01
02
03
04
05
06
07
08
09
10
11
12
