Lap Joint Flange omdefinierar flexibiliteten i rörsystem och erbjuder en dynamisk lösning för att hantera termisk expansion och kontraktionspåkänningar samtidigt som den möjliggör sömlös demontering i lågtrycksapplikationer. Genom att kombinera en robust flänsring med en vridbar flänskomponent, tillåter denna innovativa design kontrollerad axiell rörelse av rörledningar, och absorberar effektivt temperaturinducerade skiftningar utan att kompromissa med strukturell integritet. Tillgänglig i två konfigurationer – Butt Weld Ring Type (PJ/SE) för högprecisionssvetsade fogar och Flat Weld Ring Type (PJ/RJ) för förenklad installation – den tillgodoser olika operativa behov samtidigt som den bibehåller läckagesäkra prestanda. Tillverkad av förstklassigt kolstål eller rostfritt stål, flänsen motstår korrosion och mekaniskt slitage, vilket säkerställer tillförlitlighet i industrier som kemisk bearbetning, vattenbehandling och livsmedelsproduktion, där frekvent underhåll eller utrustningsuppgraderingar är rutin.
| Diameter | DN50(2")-DN2000(80") |
| Tryck | 0,6-2,5 MPa |
| Certifikat | PED, AD2000, EAC, ABS, BV, DNV, NORSOK M650, ISO9001, ISO14001, ISO45001, etc. |
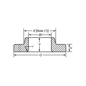
| Funktionsintroduktion | Kombinerat med flänsring och flänsning, tillåter axiell förskjutning av rörledningen och minskar termisk expansionsspänning. Typer: stumsvetsring (PJ/SE) och flatsvetsring (PJ/RJ). Lämplig för lågtrycksrörledningar som kräver frekvent demontering. |
| Ansökningsfält | Tillämplig för rörflänsanslutningar i långväga olje- och gasledningar, offshoreplattformar, kemisk utrustning, vattenreningssystem och livsmedels- och läkemedelsindustrier, anpassade till komplexa arbetsförhållanden. |
| Packning | Sjövärdigt paket, plywoodväskor eller pall eller enligt kundens krav |
| Utvalda produkter | 1、 Minsta beställning för liten sats; |
Dess roterande mekanism förenklar uppriktningen under monteringen, vilket minskar arbetskostnaderna och stilleståndstiden i system som hydrauliska maskiner, HVAC-nätverk eller modulära industriella installationer. Genom att isolera flänsrörelser från rörledningsspänningar förlänger det livslängden för packningar och bultar, vilket sänker de långsiktiga ersättningskostnaderna. Från offshoreplattformar som kräver termisk kompensation till läkemedelsanläggningar som behöver sterila, lättstädade anslutningar, säkerställer Lap Joint Flange överensstämmelse med ASME- och EN-standarder samtidigt som den anpassar sig till förändrade operativa krav. Uppbackad av rigorösa tester och mångsidig kompatibilitet, ger den ingenjörer möjlighet att designa en robust, framtidsredo infrastruktur. Uppgradera dina rörsystem idag med våra Lap Joint Flanges – där precisionsteknik möter adaptiv styrka, vilket gör att din verksamhet kan frodas i dynamiska miljöer. Välj flexibilitet, välj uthållighet och lås upp en ny era av effektivitet.
Från råmaterial till slutleverans upprätthåller vi rigorös kontroll i varje steg för att säkerställa hållbarhet, prestanda och konsekvens.
01
02
03
04
05
06
07
08
09
10
11
12
